計装電流測定USBモジュール|小型・高精度USB計測モジュール
高精度な測定を手軽に・・・
長年にわたるシステム開発で培った計測技術のノウハウを結集し、誰にでも手軽に扱える計装電流測定モジュール「TSA-U24」を開発しました。 USBケーブルでPCに接続するだけで、センサへの電源供給と計測データの取得を同時に行える、手のひらサイズの小型・軽量デバイス です。
本機単体でも全機能を使用でき、モバイルバッテリーを使用すれば電源のない場所でも動作しますので、システムへの組み込みはもちろん、研究室から現場まで、どこでも高精度な計測を手軽に実現できるツールです。
本製品は、2026年9月の一般販売開始に先立ち、クラウドファンディングサイト「CAMPFIRE」にて2026年4月27日に先行公開予定です。 本プロジェクトでは、ご支援いただいた方のお名前を本製品の画面上に表示する特別なリターンもご用意しています。
どのような内容か、ぜひプロジェクトページもご覧ください。
計装電流測定USBモジュールとは
TSA-U24は、産業用センサなどで使われる4~20mAの計装信号をUSB経由でPCに直接入力し、デジタルデータとして取得できるモジュールです。
「計装電流」とは、工場の自動化設備、プラントの監視・制御、あるいは各種の実験・研究装置などで、温度、圧力、流量、液位などの計測データを4~20mAの電流で伝達する方式のことを指します。
この方式は、電圧信号による伝達に比べてノイズの影響を受けにくく、信頼性が高いため、アナログ計測データの伝達方式として古くから広く採用されています。 たとえば、圧力センサの出力を4mA=0kPa、20mA=1000kPaに設定して伝達すれば、制御装置側でその電流値を読み取ることで、計測した圧力データを取得できます。
しかし、こうした信号をPC上で扱うにはいくつかの課題があります。
大規模なシステム向けの多チャンネル機器は高性能ですが、小規模な設備や実験・現場での計測には大げさで取り回しが悪く、また、電源を別途用意しなければならない場面も多くあります。
一方で、海外製の安価な機器は信頼性や精度、サポート面に不安が残ります。
そこで私たちは、これらの課題を解決するために、小型・高精度・使いやすさの3点を両立させた計装電流測定モジュール「TSA-U24」の開発に取り組みました。
製品の特徴
長年の計測システム開発と運用で培ったノウハウを凝縮。
気軽に使えて、設計者や現場の方々の “痒いところに手が届く” ――
TSA-U24は、使いやすさと確かな性能を両立した、高精度・高信頼・小型軽量な計装電流測定ツールです。
以下に、その主な特長をご紹介します。
A/D変換部
-
高精度24ビットΔΣ型A/Dコンバータを採用。
入力換算で0.003μAのハードウェア分解能と、安定した18ビット以上の実効分解能(入力換算0.1μA)を実現。 - 計測入力は、USB/TTLシリアル系から完全に絶縁されており、センサや他の系統からのノイズの回り込みを防止します。
- 50Hz/60Hzノッチフィルタにより、応答速度を犠牲にせず、商用電源ノイズを効果的に除去。
- 約20サンプル/秒の高速サンプリングと、1~200項可変の移動平均処理により、計測対象に合わせた最適な応答速度と安定した高分解能測定を両立。
- 計測電流範囲は1~23mA(上下に3mAの余裕を確保)で、センサ異常の切り分けにも役立ちます。
センサ電源出力
-
絶縁された24V出力電源(最大1.5W/62.5mA)を内蔵。
USB/TTLシリアル系から完全に絶縁されたセンサ用電源を内蔵していますので、外部電源なしで、2線式/3線式センサをそのまま接続できます。 - センサ電源出力は、PCからのコマンドやパネル操作でON/OFFでき、「自動制御」モードに設定すれば、必要な時だけ電源を自動的に投入して省エネに貢献します。
-
電源モジュールには、信頼性の高い国内メーカー製品を採用。
モジュール自身の過電流保護に加えて、逆接続保護ダイオードを配置することで、万一の配線ミスの際にも内部回路や接続機器へのダメージを最小限に抑える堅牢な設計です。
多彩な通信方法
-
PCとの接続にはUSB経由の仮想シリアル通信(VCP)を採用。
搭載しているFTDI社製FT230チップは、WindowsやmacOSなど主要なOSでドライバが標準対応しているため、ケーブルをつなぐだけで、すぐにご使用いただけます。 -
テキスト形式のコマンド送受信による安定したシリアル通信方式を採用。
ターミナルソフトでの手入力はもちろん、WindowsであればPowerShellを使ったバッチファイルやExcelのVBAスクリプト、macOSやUnixであればシェルスクリプト(.sh) など、多様な通信方法に対応。 - 内部には TTLレベル(3.3V)シリアルポートコネクタ も装備していますので、組込み機器やPLC(シーケンサ)との直接接続も可能です。(※ サポート対象外・要相談)
柔軟な設置性
-
DINレールへワンタッチで取付可能
背面のスナップ機構で、DINレールへの取り付け・取り外しはワンタッチで可能です。
また、ボックスのベース部と本体部は工具を使わずに分解できる填め込み構造ですので、盤内の取付基板に木ねじやビスで固定することも簡単にできます。 -
PCからのコマンドでディスプレイに任意の識別文字列を表示可能。
複数台を盤内で使用する際のメンテナンス性を向上します。 - USB仮想シリアルドライバは本製品のシリアル番号で識別されるため、電源の投入順序が変わってもポート割り当てが勝手に入れ替わることはありません。
単体での動作にも対応
-
PCと接続しなくても全機能を使用可能。
すべての機能は、本機のボタンスイッチで操作が可能ですので、モバイルバッテリーを使用すれば、電源のない場所でもお使いいただけます。 -
簡易データロガー機能を搭載。
指定した間隔で最大200データまでデータを自動的に保存でき、PCへのダウンロードはもちろん、パネルディスプレイとボタン操作でデータを確認できます。現場での急なデータ収集時に威力を発揮します。
製品仕様
| 入力抵抗 |
約130Ω(代表値 20mA時)
※ 過電流保護素子の特性により、等価抵抗は電流に応じて約130~460Ωの範囲で変動します。(4mA時に最大)
※ 20mA時の入力負担電圧は約2.6V(最大値の目安)です。
|
|---|---|
| 入力レンジ | 1~23mA |
| 最大入力電流 | 30mA(内部保護回路により制限されます) |
| 最大入力電圧 | 36V |
| 計測分解能 | 0.1μA(計測入力端子換算値) |
| センサ電源 |
24V(公称値)/ 最大 65mA
※ 内蔵の逆接保護回路により、実際の出力電圧は公称値をわずかに下回ることがあります。
|
| PC接続 |
USB Virtual COM Port (VCP)
※ コネクタは Type-C、デバイスはUSB2.0として認識されます
|
| 操作パネル |
有機ELディスプレイ(128 x 64ドット・フルグラフィック) 押しボタンスイッチ x 2(FUNC / ENT) |
| 消費電力 |
35mA(175mW)[センサ電源OFF] 430mA(2.15W)[センサ電源最大出力]
※ USBバスパワーでの消費電力参考値(ネゴシエーション電圧 5V)
|
| 動作温度範囲 | -10~50℃(結露なきこと) |
| 絶縁仕様 |
AC1500V 1分間の耐電圧仕様(入力 - USBハウジング間)
※ PC側での安全性とノイズ耐性を確保するための絶縁仕様であり、医療器具や高電圧回路等でのご使用を想定しているものではありません。
|
| 製品サイズ | 93 x 47 x 35mm(突起部分を除きます) |
| 製品重量 | 85g |
| RoHS対応 | 本製品はRoHS指令で規制されている10物質を使用していません。 |
計測部仕様
| A/D | 24ビット⊿Σ型(ハードウェア実分解能は入力端子換算で0.003μA) |
|---|---|
| サンプリング | 約20サンプル/秒 |
| フィルタ | ノッチ(-60dB @ 50/60Hz)/ ローパス(fc=1.5kHz) |
| 温度特性 | ±8ppm/℃(4~20mA換算で約±0.2μA/℃) |
| 直線性 | ±5ppm/FS |
| 長期ドリフト | ±180ppm @ 1000H |
機能概要
| データ読み出し |
動作モード(単発/連続)・計測モード(ダイレクト/プリパワー)
・ コマンドを受信するたびに最新値を送り返す「単発モード」と、指定された間隔で連続で最新値を自動的に送り返す「連続モード」を選択できます。
・ 本機への設定状態に関わらず、現在の最新測定値を送り返す「ダイレクトモード」と、指定されたシーケンスでセンサ電源をONした上で計測した測定値を送り返す「プリパワーモード」を選択できます。
※ 計測(約20サンプル/秒 → 移動平均)は常時実行され、最新値を画面に表示します。
※ センサ電源設定が「常時OFF」の場合でもプリパワー計測モードを指定できますが、センサ電源設定が優先され、センサ電源はONせずに計測を実行します。
|
|---|---|
| センサ電源 |
常時OFF / 常時ON / 自動制御
・ 常時ON/常時OFFは、動作状態に関係なくセンサ電源をONまたはOFFの状態に固定します。
・ 自動制御は、電源タイミングの設定に基づいてセンサ電源を自動制御します。
|
| 画面表示 |
RUN / HOLD / NAME / INFO
・ 計測値表示の更新を停止(HOLD)したり、機器名称・製品シリアル番号などの情報(INFO)、コマンドによって設定可能な識別名称を表示(NAME)したりすることができます。
|
| 換算設定 |
乗数・オフセット
・ 計測した電流値(mA)に対して任意の乗数・オフセットを適用し、任意の単位系へ換算できます。
・ 乗数、オフセット共に、有効桁数8桁の正負の実数が指定できます。
・ 対数などの関数は使用できません。
|
| 単位設定 |
単位文字列
・ 本体画面に表示する単位文字列を設定できます。(英数記号6文字まで)
|
| 電源タイミング |
プレ秒数 / ポスト秒数
・ 計測する前にセンサ電源を出力する時間(プレ秒数:0 ~ 60秒)と、計測後にセンサ電源をONに保持しておく秒数(ポスト秒数:0 ~ 60秒)を設定できます。
・ センサ電源設定が「自動制御」に設定されている際に有効となります。
|
| 平均処理設定 |
移動平均で使用する点数
・ データ(約20サンプル/秒)の移動平均点数を 1~200 の範囲で設定できます。
|
| 計測値更新設定 |
NORM / FAST / SLOW / XSLOW
・ 本機画面に表示する計測値の更新頻度をNORM(約2Hz)、FAST(約3Hz)、SLOW(約1Hz)、XSLOW(約0.5Hz)の4種類から選択できます。
|
| 識別名称設定 |
機器識別用名称
・ 複数台使用時の識別に便利な文字列を設定できます。(英数記号 10 文字まで)
|
| ロギング機能 |
ロギング間隔・終了モード(自動終了/リングバッファ)
・ 設定したロギング間隔(1~1800分)で定期的に自動で計測し、最大 200 データを内部不揮発性メモリに保存します。
・ あらかじめ指定したデータ数で終了する「自動終了モード」と、常に最新の200データを保持しながら継続してロギング動作を行う「リングバッファモード」が指定可能です。
・ 収集したデータは、PCでの一括ダウンロード、または、本機の画面で確認できます。
|
| 一括設定機能 |
現在の設定内容を一括して取得したり、一括して本機に設定することができます。
※ フォーマットはCSV型式の文字列ですので、テキストエディタ等で手軽に確認や変更が可能です。
|
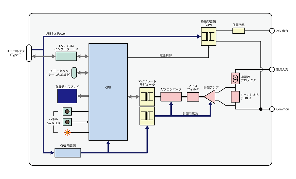
内部構成・外形寸法
PC接続インターフェース
本機との通信方式には、可読性の高いASCII文字列で構成されたコマンド方式を採用しています。
PCから送信するコマンドや、本機からのレスポンスデータは、いずれもテキスト形式の文字列で構成されており、ターミネータ(CR:0x0D) および、シーケンスがずれた際に使用するブレークコード(NULL:0x00) を除き、すべて画面上で確認可能な文字を使用しています。
目に見える文字列による通信のため、動作状況の確認が容易で、ターミナルソフトなどの一般的なツールもご使用いただけます。
また、技術的に安定したUSB 2.0規格のVCP(仮想COMポート)インターフェースを採用し、USBコネクタにはType-Cを使用することで、実装環境のノイズによる通信エラーや、振動などによる接触不良の発生頻度を低減しています。
さらに、通信エラーを検出するためのチェックサム機能も備えており、安定した通信を実現しています。
通信フォーマット
本機との通信は、必要なパラメータをカンマ(,)で連結したコマンド文字列を送信し、これに対して本機が結果を返すシンプルな要求応答方式を採用しています。(一部のコマンドでは、指示に応じて本機が自発的に応答を繰り返します)
以下に、代表的な通信例を示します。
※ 説明の都合上、チェックサム機能は送信・受信ともにOFFとしています。
-
設定系のコマンド
例)24Vセンサ電源の出力をONに指示するPWコマンド
-
単発の測定データ要求コマンド
例)現在の測定データの送信を要求するRDコマンド
-
連続測定データ要求コマンド
例)10秒間隔でデータの自動送信を要求するRCコマンド(停止:RSコマンド)
チェックサムについて
本機に送信するコマンドや、本機から送り返されるレスポンスデータには、通信の信頼性を高めるためにチェックサム文字列を付加して使用することができます。
このチェックサム文字列は、送信コマンド・レスポンスデータのそれぞれで、有効/無効を独立して設定できますので、必要に応じて設定を変え、コマンド送受信の確認や手作業による動作確認の際の利便性を高めることが可能です。
チェックサム文字列は、コマンド先頭からチェックサム直前までのASCIIコードの合計値を計算し、その合計値の下位8ビットを16進数(00~FF)2文字に変換した後、先頭にアットマーク(@)を付加した3文字となります。
-
RDコマンドを例にとった計算例:
ASCII合計値: 0x52("R") + 0x44("D") = 0x96 ▼ 合計値下位8ビット: 0x96 ▼ チェックサム値: 0x96 ▼ チェックサム文字列: "@96" ▼ コマンド文字列: "RD@96 <CR>"
動作確認用ユーティリティ
動作の確認や実際の計測結果の確認、TSA-U24 の設定状態の保存や復旧、ロギングデータのダウンロードなどをPCから簡単に行える「TSA Utility」(Windows アプリケーション)は、製品販売開始後、弊社ホームページにて無償公開いたします。
また、シリアルポート経由で文字列の送受信が可能なアプリケーション(Windowsの場合は、オープンソースで公開されている「Tera Term」などのターミナルプログラム、macOSやUnixの場合は「ターミナル.app」や「xterm」などのターミナルプログラム)を使用して動作を確認いただくこともできます。
製品カタログ
本製品のカタログは、以下のリンクよりダウンロードいただけます。
保証・サポート
保証について
本製品は、ご購入日より1年間の保証をいたします。
保証期間内に正常な使用状態において故障した場合は、無償にて修理または交換対応を行います。
技術サポートについて
本製品に関するご質問やご相談につきましては、お問い合わせフォーム、または、メールにてサポートを承っております。
ご使用方法や接続方法、動作に関するご不明点などがございましたら、お気軽にお問い合わせください。

